Variable Mutual Conductance Compressor

Transformerless Tube Compressor



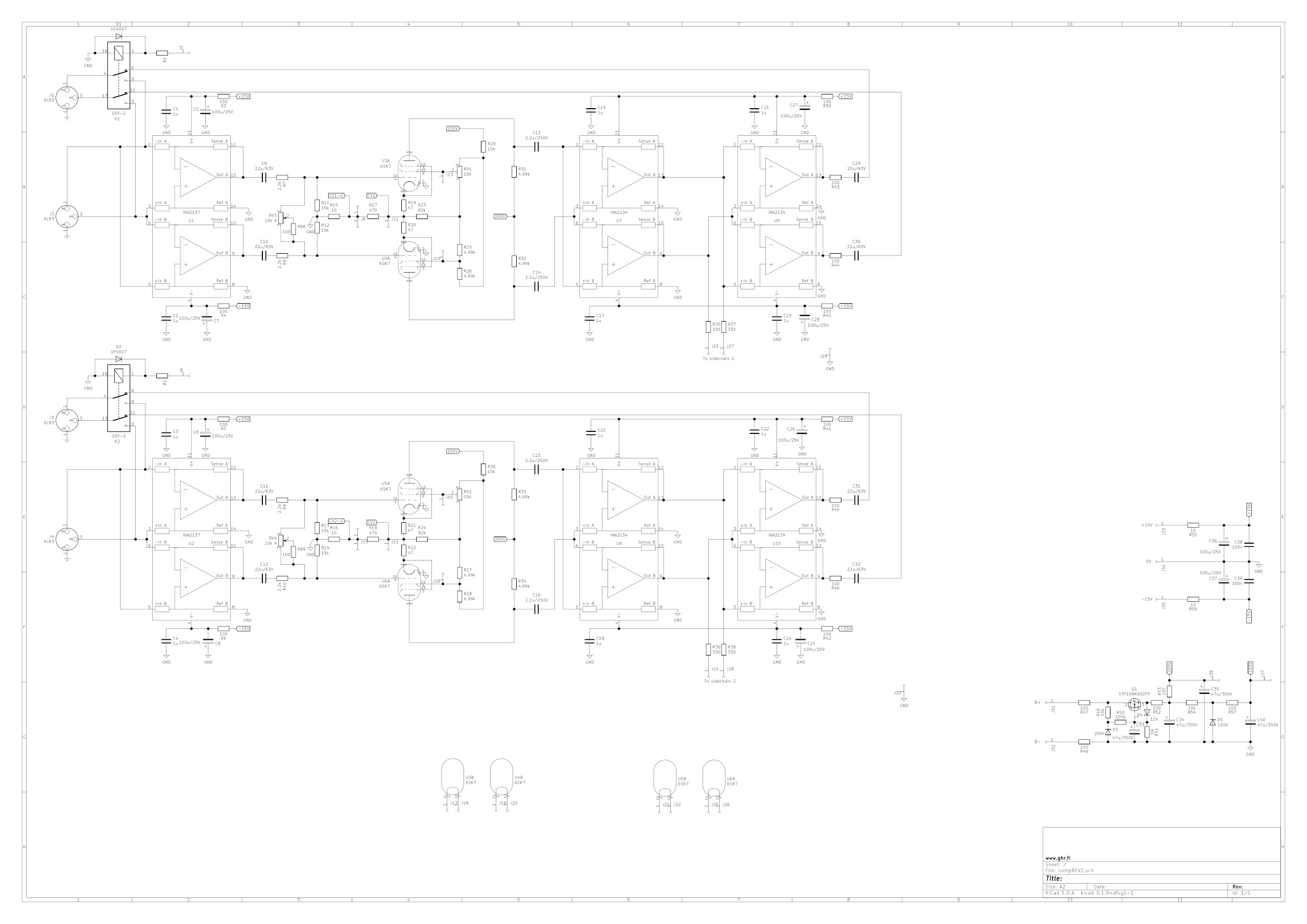
Schematic

4D SOUNDSCAPE

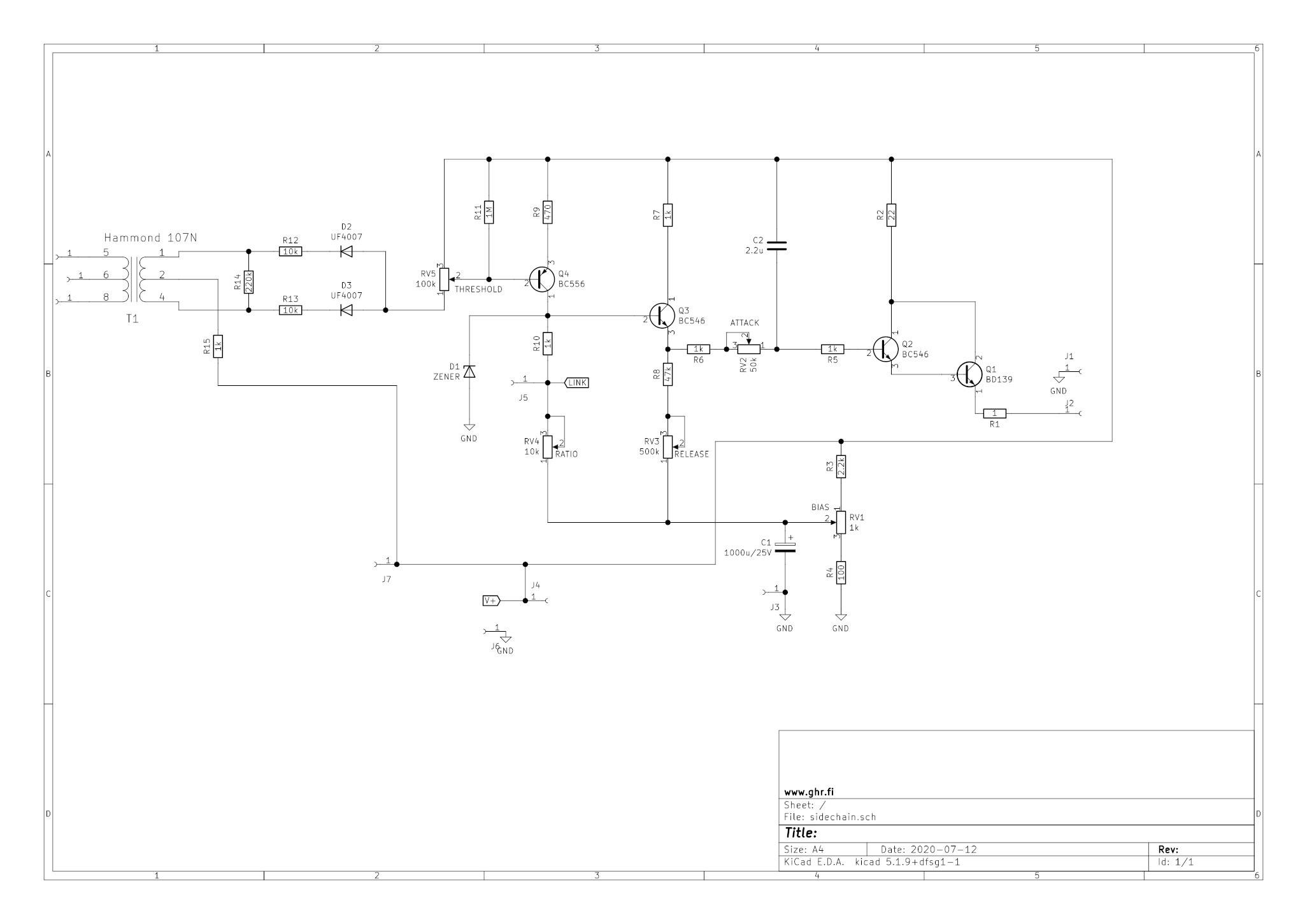
Sidechain schematic

4D SOUNDSCAPE

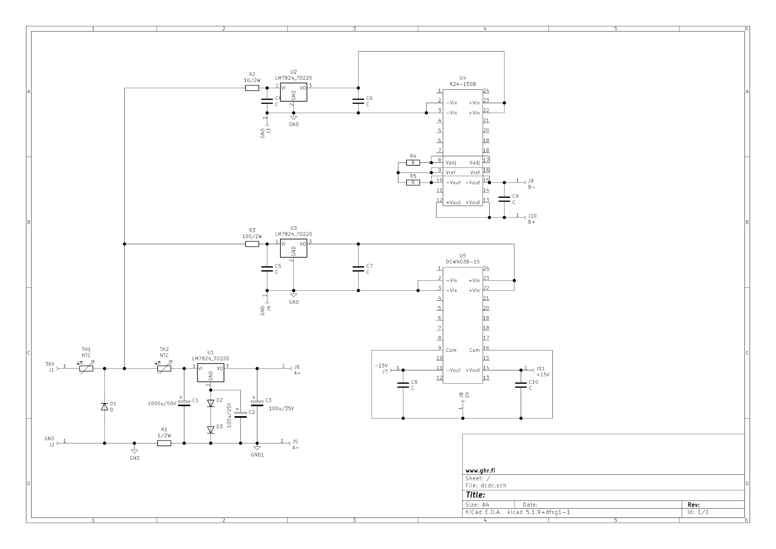
Power Supply schematic

4D SOUNDSCAPE

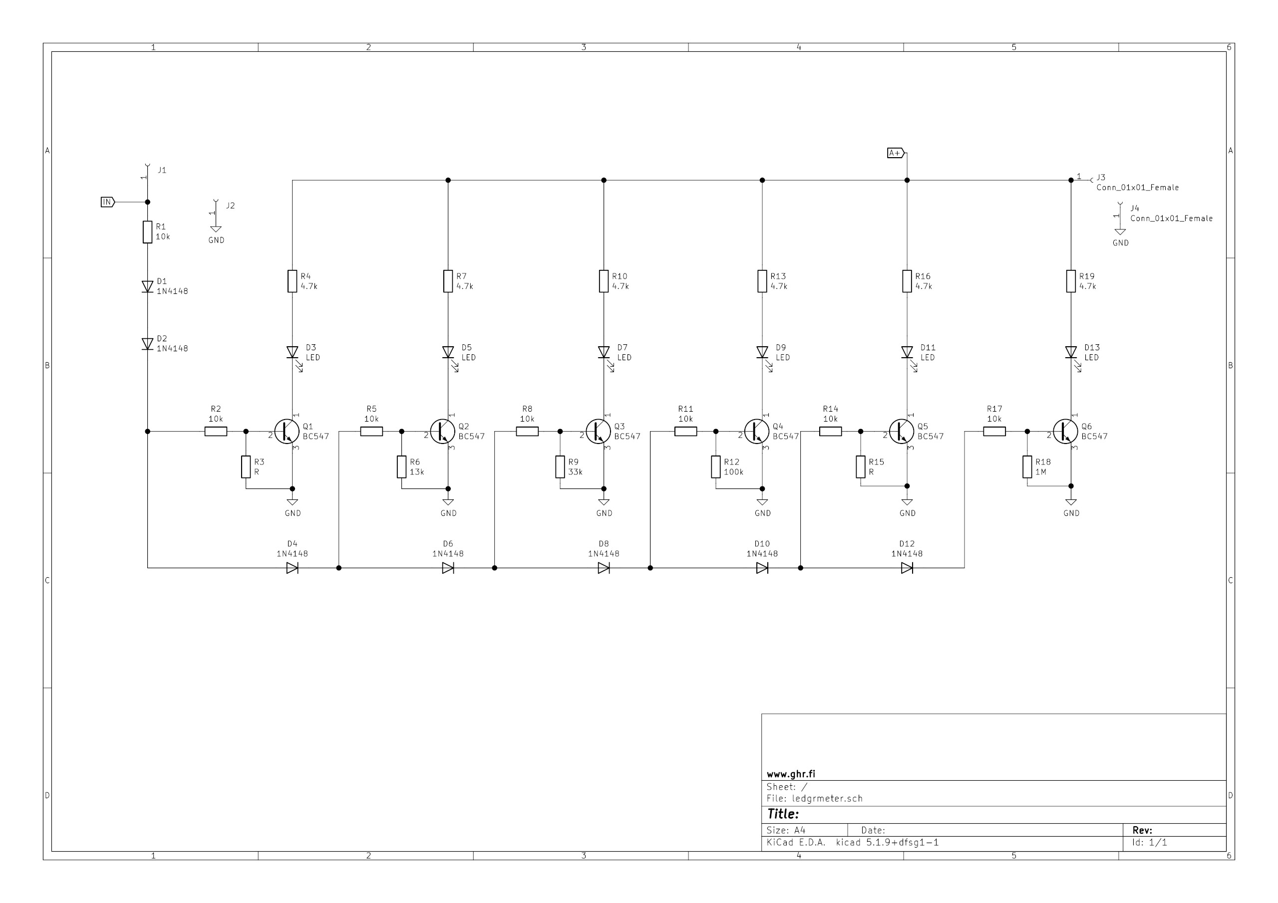
Gain Reduction Meter schematic

4D SOUNDSCAPE

Compression Curves and THD @ 1kHz

4D SOUNDSCAPE

Output noise at max gain (19 dB), 0 dBFS = +20 dBu

4D SOUNDSCAPE

Specifications:


Input impedance ≈ 12k ohms, balanced line-to-line, *


THD < 0.25%, +20 dBu, 20-20 kHz, unity gain, no compression, **


S/N = 80 dB re +4 dBu, 22 kHz BW, unity gain, ***


Crosstalk = -60 dB, 20kHz, +4 dBu, channel-to-channel


Frequency response = 20 - 20 kHz, ±0.5 dB


Maximum gain = 17 dB or 19 dB, ****


Output impedance < 300 ohms, balanced line-to-line


* INA2137 Internal resistors are ratio matched but have ±25% absolute value

** Will heavily depend on the tubes used

*** Should be better than 80 dB unless the tubes are very noisy

**** Will depend on the tubes used and plate resistor value used. 19 dB with 5.5k plate resistors, 17 dB with 4.99k plate resistors


If the output is connected to unbalanced input do NOT ground xlr pin 3. For unbalanced connections output XLR pin 3 should be left floating, this will result 6dB loss of output level.



Further reading:



Graeme - Applications of Operational Amplifiers 3rd generation techniques. Pages 52-53 (pdf pages 70-71)


Audio line receiver impedance balancing using a 2nd diff amp


Compression and Limiting, Elements of sound recording by John G. Frayne and Halley Wolfe.


Säätöputkikompressorit (in Finnish)